Automatic Vent Damper Wiring Diagram. This Keyed wiring harness connector plug installs only one way preventing. It shows the parts of the circuit as simplified forms as well as the power and signal links between the gadgets. The Q35 consists of a Y15 damper M35 actuator and Y84 wiring harness. Gvd 6 wiring diagram wiring diagram of alternator refrence automatic vent damper wiring rh rivercottagenews net Effikal Vent Damper Wiring Harness Gvd Vent Damper Wiring Diagram.
Very Strange Boiler Problem Heating Help The Wall
Very Strange Boiler Problem Heating Help The Wall From forum.heatinghelp.com
More related: Coupe De Cheveux Long Avec Frange - Dieux Grecs Dessin - Brawl Stars Disegni - Dessins Chats A Imprimer -
Field Controls gas vent dampers GVD are made of stainless steel and is available in 8 sizes 4 through 10 and 12. Dual safety switches allow the burner to fire only when the damper is in the open position. It shows the parts of the circuit as simplified forms as well as the power and signal links between the gadgets. A wiring diagram is a streamlined conventional pictorial depiction of an electrical circuit. Gvd 6 wiring diagram Automatic Vent Damper Wiring Diagram Damper Gvd 6 Wiring Diagram Wiring Diagram File Type. Schematic wiring diagram of flue damper connected to a 24vac safety circuit and an auxiliary transformer.
Better yet take it out of the flue pipe untill you can get a replacement.
It shows the parts of the circuit as simplified forms as well as the power and signal links between the gadgets. Damper Since you figured out how to bypass the damper PLEASE somehow rig it so that there is no way that the damper can possibly close. The GVD gas venting damper will not interfere with existing appliance safety controls when properly installed. On the wiring diagram and the DAN - GER label on the vent damper carton. Better yet take it out of the flue pipe untill you can get a replacement. 11122018 Variety of automatic vent damper wiring diagram.
Pin On Diagram
Source: pinterest.com
It shows the components of the circuit as simplified shapes and the aptitude and signal associates amid the devices.
Engine Ground Diagram Yamaha
Source: id.pinterest.com
See Diagram A 4.
Ksp90 Electric Wiring Diagram Vehicle Technology Car
Source: scribd.com
Assortment of gvd 6 wiring diagram.
Very Strange Boiler Problem Heating Help The Wall
Source: forum.heatinghelp.com
24 VAC for simple and low-cost wiring.
Package Ac Wiring Diagram Unit Best Of Thermostat Wiring Ac Wiring Electrical Diagram
Source: pinterest.com
It shows the parts of the circuit asA Wiring Harness is a 4-wire cable 8 feet meters long with D mating plug on one end and mating plug for S86SSS or Penn Baso G60 or G66 on the other.
Flue Damper Wiring Heating Help The Wall
Source: forum.heatinghelp.com
Both gas valves must terminate the main gas supply to the burners.
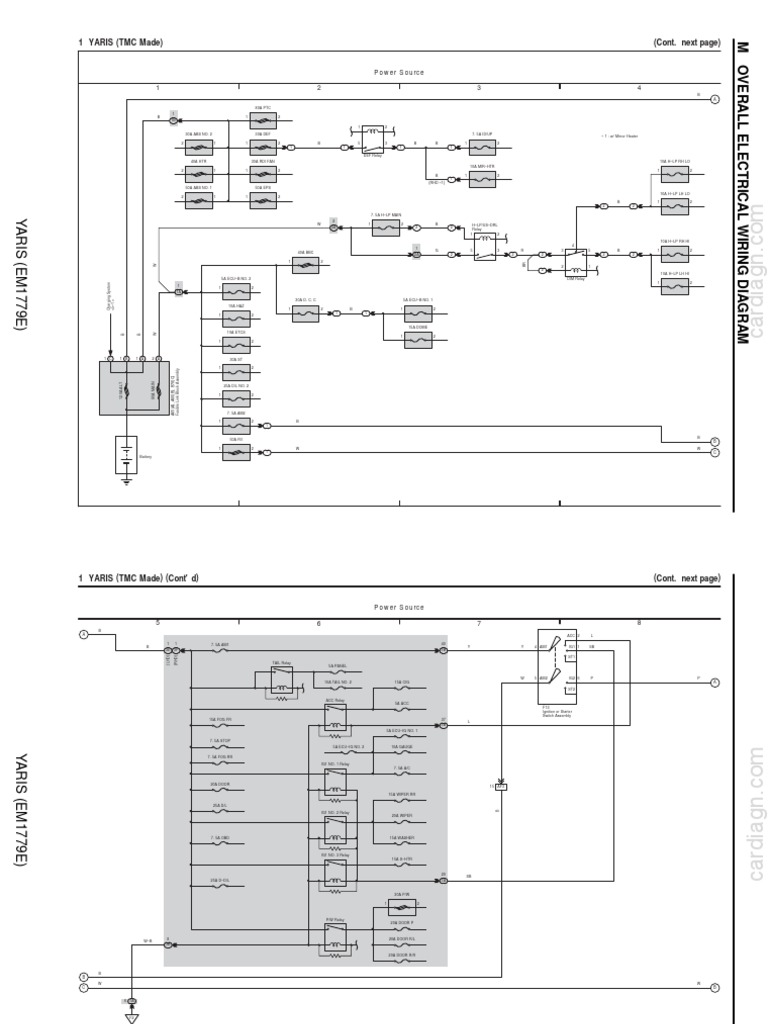
Toyota Alphard Vellfire Em2441e System Wiring Diagram Pdf Motor Vehicle Components
Source: scribd.com
The Q35 consists of a Y15 damper M35 actuator and Y84 wiring harness.
21 Fresh Mosfet Wiring Diagram
Source: fjelloghjem.blogspot.com
4222020 Fender Duo sonic Wiring Diagram wiring diagram is a simplified up to standard pictorial representation of an electrical circuit.
W211 Wiring Diagram Engine Can Bus Pdf
Source: yumpu.com
Mating plug for S86S8600S8610S8620 or Penn Baso Approximate Damper Closing Time.
New Commercial Exhaust Fan Wiring Diagram Diagram Diagramsample Diagramtemplate Wiringdiagram Diagramchart Worksheet Diagram Diagram Chart Ansul System
Source: pinterest.com
It shows the components of the circuit as simplified shapes and the capability and signal contacts between the devices.
How To Wire An Attic Electrical Outlet And Light Junction Box Wiring Outlet Wiring Light Switch Wiring Electrical Switch Wiring
Source: pinterest.com
Gvd 6 wiring diagram Automatic Vent Damper Wiring Diagram Damper Gvd 6 Wiring Diagram Wiring Diagram File Type.
Diagram Fenwal Ignition Module Wiring Diagram Hvac Full Version Hd Quality Diagram Hvac Ajaxdiagram Mostraraffaello It
Source: ajaxdiagram.mostraraffaello.it
See manufacturers vent damper instructions.
Toyota Alphard Vellfire Em2441e Overall Electrical Wiring Diagram Pdf Automotive Technologies Vehicle Technology
Source: scribd.com
MV MVPV PV GND BURNER 24V GND 24V SPARK S8600F H M.
21 New System Sensor Flow Switch Wiring Diagram
Source: fjelloghjem.blogspot.com
It shows the components of the circuit as simplified shapes and the capability and signal contacts between the devices.
Wiring Diagram For Electric Water Heater Bookingritzcarlton Info Water Heater Hot Water Heater Electric Water Heater
Source: pinterest.com
VENT DAMPER MUST ROTATE COUNTER CLOCKWISE.
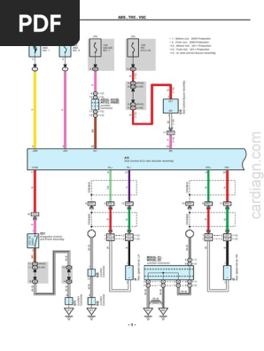
Toyota Alphard Vellfire Em2441e System Wiring Diagram Pdf Motor Vehicle Components
Source: scribd.com
It shows the elements of the circuit as simplified shapes and also the power and also signal connections between the devices.
Overall Electrical Wiring Diagram Nature
Source: scribd.com
197516A Wiring Harness is a 4-wire cable 8 feet 25 Operating Times.
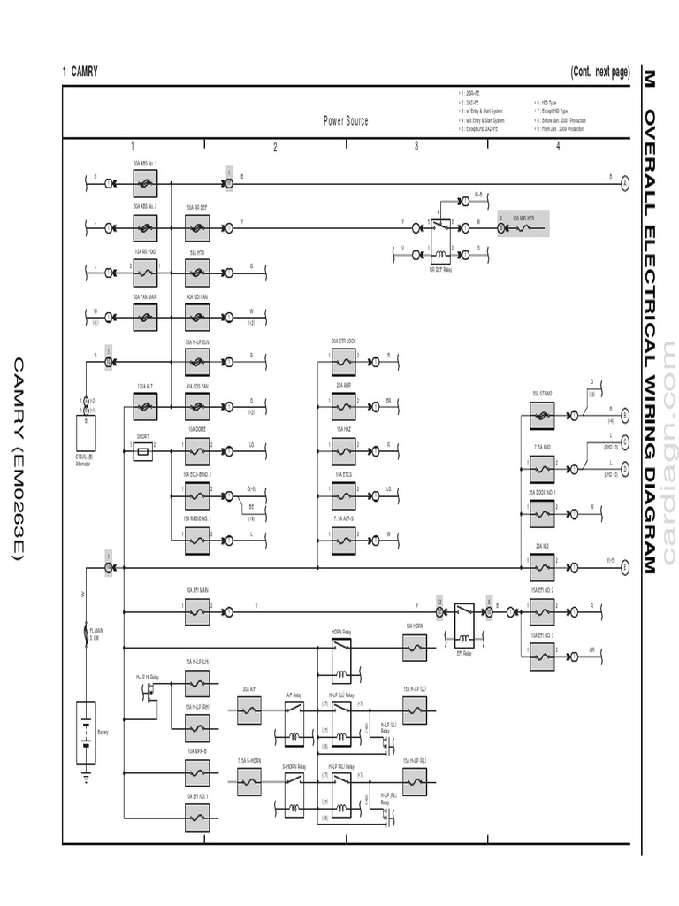
Toyota Camry 2az Wiring Diagram Toyota Vehicles
Source: scribd.com
Field Controls GVD gas vent damper was developed to reduce off cycle venting 5.
